QGold Resources Announces Maiden Preliminary Economic Assessment for the Quartz Mountain Gold Project, Positioning the Company as a Premier Gold Development Asset in the United States
TSX-V: QGR | OTCQB: QGLDF | Frankfurt: QX9G
After-Tax NPV(5%) of US$1.71 Billion and After-Tax IRR of 55.2% at a 2-Year Trailing Average Gold Price of US$3,265/oz
After-Tax NPV(5%) of US$3.20 Billion and After-Tax IRR of 92% at a spot Gold Prices (2)
Low-Cost Gold Mine with AISC of US$1,216/oz(3) and Life of Mine Gold Production of 1.9M ounces and average mine production profile 135k Gold ounces annually over life of mine of 14 years
Initial Capex of US$290 Million (Includes All taxes and US$48M in Contingency)
Updated NI-43-101 Mineral Resource Estimate of 2.01 million oz Gold in the Indicated Category and 494K oz of Gold in the Inferred Category
TORONTO, April 08, 2026 (GLOBE NEWSWIRE) — Q-Gold Resources Ltd. (TSX-V: QGR; OTCQB: QGLDF; Frankfurt: QX9G) (“QGold” “QGold Resources” or the “Company”) is pleased to announce the results of its Preliminary Economic Assessment (“PEA”) for its Quartz Mountain Gold Project (“Quartz Mountain” or the “Project”), located in Lake County, Oregon, USA. The PEA was prepared by Kappes, Cassiday & Associates (“KCA”) of Reno, Nevada, a leading engineering firm with extensive gold project expertise.
HIGHLIGHTS:
- Strong Economics at a Conservative Gold Price: After-Tax NPV(5%) of US$1.71 billion and After-Tax IRR of 55.2% based on a 24-month trailing average gold price of US$3,265/oz — materially below current spot gold of approximately US$4,800/oz(1), highlighting significant additional upside in the current gold price environment.
- Attractive Low-Cost Profile: Cash operating costs of US$1,010/oz and All-In Sustaining Costs (“AISC”) of US$1,214/oz(3) position Quartz Mountain competitively among North American gold projects.
- Long-Life, Strong Production Mine: 14-year mine life with average annual gold production of 135,400 oz, peak annual production of 166,300 oz, LOM gold recovery of 79.6%, and a low strip ratio of 0.65:1
- Capital Efficiency: Initial capital of US$290 million (including equipment taxes and working capital) delivering a rapid after-tax payback of 1.80 years.
- Strong Jurisdictional Foundation: Quartz Mountain is situated in Lake County, Oregon, within the United States — a stable, supportive multi land use jurisdiction. Constructive relationships with the U.S. Forest Service, Oregon state government, and Lake County stakeholders provide the important social license and permitting momentum.
- Clear path to Advanced Development: The PEA confirms the technical and economic viability of the Project and provides the foundation for the Company to advance toward a Feasibility Study. Planned 2026 drilling and exploration programs will focus on metalogical test work, resource expansion and infill to upgrade resource.
(1) Spot gold price of approximately US$4,800/oz as of the date of this release.
MANAGEMENT COMMENTARY
“The completion of the Quartz Mountain PEA represents an important milestone as the Project advances toward a future construction decision. The results confirm what our team has believed since acquiring this project from Alamos Gold in 2025 — Quartz Mountain is a world-class gold asset with the economics to support a robust and long-lived mining operation.
With an after-tax NPV of US$1.71 billion, a sub-two-year payback, and an all-in sustaining cost of US$1,216 per ounce — all at a base case gold price representing less than 45% of today’s spot price — the Quartz Mountain Gold Project delivers an exceptionally powerful economic result. These metrics highlight the Project’s strong margins, compelling capital efficiency, and resilience across commodity price cycles.
We are especially encouraged by the Project’s low strip ratio and staged development approach, which together underpin a capital-efficient pathway to production and strong early cash flow generation.
We now have a clear roadmap: advance permitting, execute our 2026 drilling programs, and move this project toward a Feasibility Study with the same disciplined focus that has defined our team’s track record of successfully developing mining projects. I want to thank the QGold team, Kappes, Cassiday & Associates, and the other consulting groups involved for their rigorous and thorough work. Additionally, we would like to thank our community partners in Lake County, Oregon for their continued support. Quartz Mountain offers the foundation for a generational mining operation in the State of Oregon.”
Peter Tagliamonte, P.Eng.
Chairman & CEO, QGold
PEA SUMMARY TABLE
| PEA Study Highlights (all values in US$) | |
| LOM Production and Costs | |
| Mine Life | 14 years |
| Mine Throughput (Ore, Average) | 7,300,000 Tonnes per year |
| Metallurgical Recovery (Gold, Overall) | 79.6% |
| Average Annual Gold Production | 135,400 oz / year (peak: 166,300 oz / year) |
| Total Gold Produced (Life of Mine) | 1,896,000 oz |
| Cash Cost | $1,010/oz |
| All-In Sustaining Cost (AISC) | $1,216/oz |
| Strip Ratio ( Waste : Ore ) | 0.65:1 |
| Financial Analysis — Base Case( 24-Month Trailing Average Gold Price US$3,265 ) | |
| After-Tax NPV (5%) | $1.707 Billion |
| After-Tax IRR | 55.2% |
| Pre-Tax NPV (5%) | $2.214 Billion |
| Pre-Tax IRR | 65.9% |
| Average Annual Pre-Tax Cash Flow (LOM) | $171 Million |
| Payback Period (After-Tax) | 1.8 years |
| Financial Analysis— Spot Gold Price(US$4,800 oz)(2) | |
| After-Tax NPV (5%) at Spot | $3.20 Billion |
| After-Tax IRR at Spot | 92% |
| Payback Period at Spot | 1.2 years |
| Capital Costs(Sales Tax Included) | |
| Initial Capital | US$290 Million |
| Working Capital & Initial Fills | US$9 Million |
| LOM Sustaining Capital | US$360 Million |
| Reclamation & Closure | US$56 Million |
| Operating Costs (Average LOM) | |
| Mining | US$4.09 / Tonne Mined |
| Processing & Support | US$9.24 / Tonne Processed |
| G&A | US$0.66 / Tonne Processed |
(2) Spot price of US$4,800/oz reflects the approximate LBMA gold price as of the date of this release. Gold price sensitivity columns other than the base case will be finalized with complete KCA outputs prior to final issuance of the PEA.
(3) AISC (All-In Sustaining Cost) of US$1,214/oz includes total cash costs plus sustaining capital and closure costs. Both cash cost and AISC are non-GAAP measures. See Non-GAAP Measures section.
PEA SUMMARY
The PEA contemplates a phased development approach. Phase 1 consists of a conventional open-pit, heap-leach gold extraction process. Phase 2 will continue with the open-pit mining operation and transition to a crushing and milling circuit, followed by flotation to produce a gold concentrate. The PEA was prepared by KCA in accordance with National Instrument 43-101 — Standards of Disclosure for Mineral Projects (“NI 43-101”).
The Project is designed with a 14-year mine life, processing an average of 7,300,000 tonnes of mill feed per year through a conventional crusher-to-heap-leach circuit. Average annual gold production is projected at 135,400 oz over the life of mine, with peak annual production of approximately 166,300 oz, delivering total recovered gold of approximately 1,896,050 oz at an overall metallurgical recovery of 79.6%. The low strip ratio of 0.65:1 reflects exceptional mineralization geometry and translates directly into low mining costs and strong capital efficiency.
At the base case gold price assumption of US$3,265/oz — representing the 24-month trailing average World Bank gold price data — the PEA generates an after-tax NPV(5%) of US$1,707 million and an after-tax IRR of 55.2%, with an average annual after-tax cash flow of US$138.0 million and a payback period of 1.80 years. Given that spot gold is currently trading at approximately US$4,800 / oz — approximately 45% above the base case assumption — the Project offers potentially substantial additional economic upside beyond the base case figures presented herein.
Quartz Mountain contains mostly Indicated category mineral resources (see Mineral Resource Estimate section of this report) which are considered a higher-level reliability geologically category. Consistent with PEA studies, the production profile also includes Inferred mineral resources. A small portion, approximately 23% of the Quartz Mountain PEA mine plan relies on Inferred resources. Inferred mineral resources are considered to be lower in reliability to be categorized as mineral reserves and cannot be included in a Feasibility Study without being upgraded in resource confidence. The Company intends to conduct the required drilling to upgrade this portion of Quartz Mountain resources to the measured and Indicated category in advance of a Feasibility Study.
The PEA is preliminary in nature and includes Inferred Mineral Resources. Inferred Mineral Resources are considered too speculative geologically to have the economic considerations applied to them that would enable them to be categorized as mineral reserves, and there is no certainty that the PEA will be realized.
MINING OVERVIEW
The Quartz Mountain mine plan contemplates a simple open pit operation with a life-of-mine strip ratio of approximately 0.65:1 (waste : mill feed), representing one of the more favourable geometries among North American open-pit gold development projects. The operation is designed to process an average of 7.3 million tonnes per year over an estimated 14-year mine life. Mining activities are expected to operate year-round, supported by the relatively mild high-desert climate of Lake County, Oregon.
The open pits have been designed targeting a 45-degree overall slope angle using 50 ft overall bench heights with 28.7 ft berm widths. A 90-tonne class rigid frame haul truck was selected to design the 92 ft double lane haul roads at 10% gradient.
The Quartz Mountain gold deposit comprises two primary mineralized lithological domains with distinct metallurgical characteristics. The upper portion of the deposit consists of an oxide zone, extending from surface, which is highly amenable to heap leach processing. Based on metallurgical test work previously completed, average gold recovery for oxide material was estimated at 78.6%. Beneath the oxide zone lies a sulfide (refractory) zone, which is best suited to conventional crushing and milling followed by flotation and concentration to produce a gold-bearing concentrate. The current interpretation of the metallurgical data predicts an average gold recovery for sulfide material processed to a gold concentrate was estimated at 80.0%.
Development of the Quartz Mountain Gold Project is planned in two stages:
- Stage 1 – Oxide Processing: Initial mining will focus on the near-surface oxide material using a conventional truck-and-loader open pit mining method. Gold recovery will be achieved through a conventional heap leach circuit.
- Stage 2 – Sulfide Processing: Mining will continue as a conventional open pit operation targeting the lower sulfide mineralization. Processing will transition to a conventional crushing and milling circuit, followed by flotation to produce a gold-bearing concentrate.
Oxide material is estimated to comprise approximately 32% of total mill feed tonnage, with the underlying sulfide material representing approximately 68%.
This staged approach is expected to deliver low initial capital requirements, a favourable strip ratio, strong metallurgical recoveries, and positive cash flow from the early years of the Quartz Mountain mining operation.

Figure 1 – Quartz Mountain Mine layout
PROCESSING OVERVIEW
Geo-metallurgical modelling of the Quartz Mountain Gold Project identified three material categories within the Mineral Resource: Oxide (non-refractory), a very minor transitional zone comprising mixed oxide and sulfide material, and Sulfide (refractory) material. Oxide material represents approximately 32% of total ore tonnage, with sulfide material comprising the remaining 68%.
Oxide Zone Processing:
Mineralized Run-of-mine oxide material from the Quartz Butte and Crone Hill open pits will be hauled to a three-stage crushing facility designed to produce a product with an 80% passing size of 12.5 mm (½ inch), at an average processing rate of 20,000 metric tonnes per day (tpd). Prior to stacking, lime will be added to the crushed material for pH control, and cement will be added as a binding agent to agglomerate the feed. The agglomerated material will then be stacked in lifts of approximately 7.5 metres onto a conventional lined heap leach facility (HLF) using grasshopper conveyors, which optimize fluid distribution and maximize gold recovery.
A dilute cyanide solution will be irrigated over the heap using drip emitters. Pregnant gold-bearing solution will drain by gravity from the base of the pad to a pregnant solution tank, which will be designed to overflow to a pregnant solution pond. From the tank, solution will be pumped to a carbon adsorption circuit for gold recovery.
Gold and silver values will be loaded onto activated carbon and periodically stripped from the carbon in a desorption circuit and concentrated by electrowinning process. The precious metal sludge collected in the electrowinning circuit will be treated in a retort to recover mercury values before being fluxed and smelted to produce the final doré product. The process leverages KCA’s extensive experience with heap leach processing.
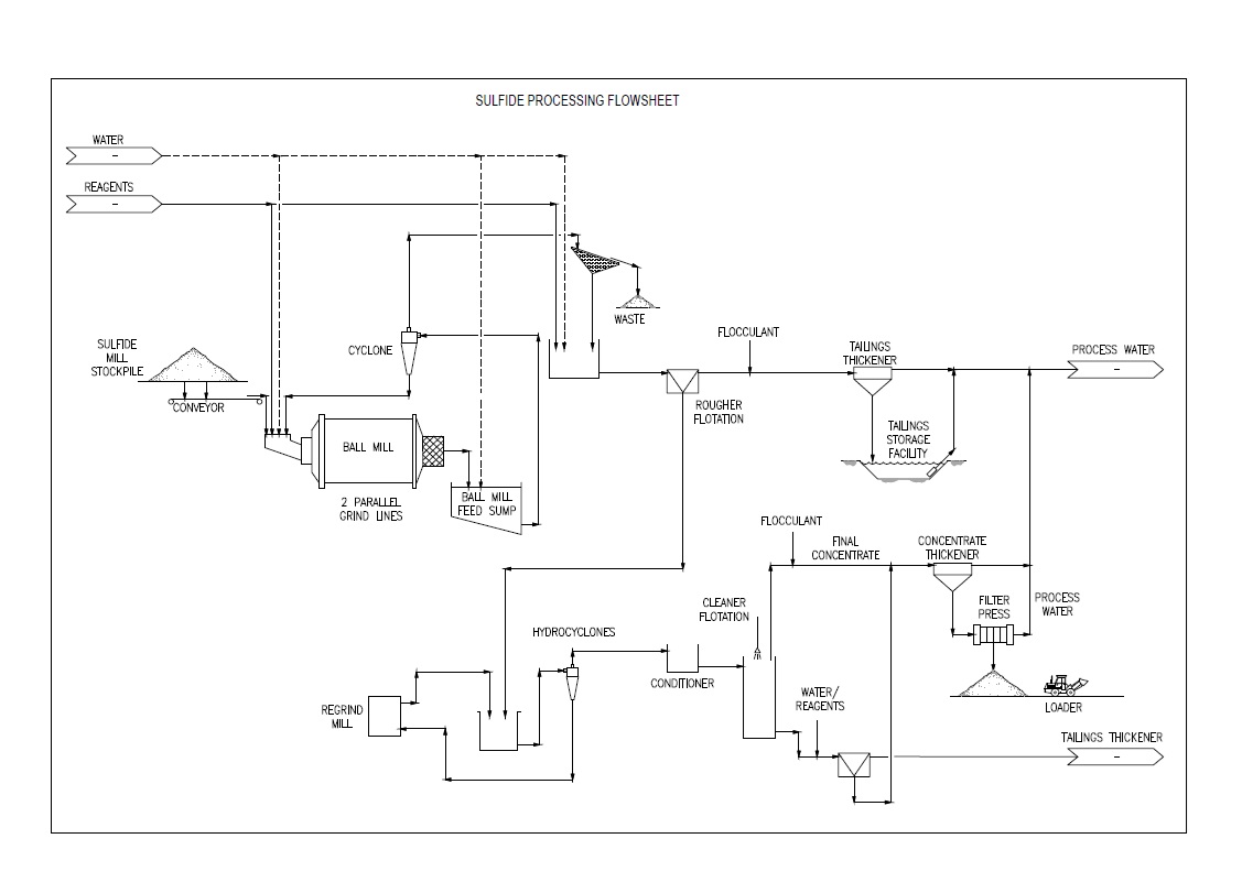
Sulfide Zone Processing
After about four years, the oxide material is expected be become depleted and the mine will focus on mining and processing sulfide material. Sulfide zone material is best suited to conventional crushing and milling followed by flotation and concentration to produce a gold-bearing concentrate. Run-of-mine sulfide mill feed will be delivered from the open pit by truck to a primary crusher operating at 20,000 tpd. The Sulfide material will be crushed in the same crusher as the oxide material. The crushed sulfide material will be conveyed to the sulfide mill, ground to a nominal 74µ (micrometers) and subjected to a flotation process to recover the gold and silver. The product of the sulfide process with be a precious metal rich concentrate. This concentrate will be filtered and transported to a suitable refinery or smelter for final gold and silver recovery. The tailings produced in flotation will be stored in an engineered tailings management facility (TMF).
Process Plant and Recovery
The process plant is designed for a nominal throughput of 20,000 tonnes per day, operating 24 hours per day.
The oxide material average recovery from the Quartz Butte material and the Crone Hill material was estimated to have a combined average recovery of 78.6%. The sulfide material average estimated gold recovery from the Quartz Butte and the Crone Hill material to concentrate is 80.0% of gold contained in run-of-mine mill feed.
The overall life-of-mine metallurgical gold recovery is estimated at 79.6%, reflecting the predominantly oxide near-surface character of the mineralization and the lower sulfide characteristics of the material.

Figure 2 – Flowsheet of Oxide Process

Figure 3 – Flowsheet for Sulfide Process
Tailings Management
The heap leach pad will be the final storage place for the oxide material. The tailings generated in the sulfide mill will be thickened and deposited in an engineered tailings management facility (TMF).
CONCENTRATE MARKET ASSESSMENT
An assessment of current market conditions for gold-silver concentrates was conducted as part of the PEA by an independent concentrate marketing advisor. The assessment included a review of treatment and refining charges, payable terms, impurity thresholds, and transportation costs for concentrates with similar metallurgical characteristics. The analysis also considered recent market transactions and long-term demand trends for gold concentrates. Based on this review, the PEA incorporates payable assumptions and treatment terms consistent with current market conditions for comparable concentrates. The Study assumes commercially reasonable terms supported by the independent assessment. QGold intends to continue advancing concentrate market assessments and discussions in parallel with metallurgical optimization and optimization studies as it advances the Quartz Mountain Project through the Feasibility Study in 2026.
MINERAL RESOURCE PROJECTED – PRODUCTION PROFILE
Over the first 14-years of the mine life, the average annual gold and gold equivalent production in doré and concentrate is projected to be 135,400 ounces. Considering the silver contribution the gold equivalent production will be an average life-of-mine production of 137,200 ounces per year.

Chart 1: PEA Life of Mine Recovered Gold and Gold Equivalent Production Profile
The following tables provide sensitivity analyses of key project economic parameters. The gold price sensitivity table presents project economics across a range of gold price scenarios. The discount rate sensitivity table presents pre-tax and after-tax NPV at the base case gold price of US$3,265/oz across a range of discount rates from 0% to 10%, confirming the robustness of the Project economics across capital cost assumptions.
| Gold Price (US$/oz) | $3,265 (Base Case) | $4,800 (Spot)(2) | $5,500 | $2,500 |
| Pre-Tax NPV(5%) (US$M) | $2.2 Billion | $ 4.0 Billion | $ 4.9 Billion | $ 1.3 Billion |
| After-Tax NPV(5%) (US$M) | $ 1.7 Billion | $ 3.2 Billion | $ 3.8 Billion | $ 1.0 Billion |
| After-Tax IRR (%) | 55.2% | 91.7% | 107.4% | 35.8% |
| Payback (years) | 1.8 | 1.2 | 1.0 | 2.5 |
| NPV Sensitivity — Discount Rate (Base Case US$3,265/oz Gold) | ||
| Discount Rate | Pre-Tax NPV (US$000s) | After-Tax NPV (US$000s) |
| 0.0% | $3,559,000 | $2,765,000 |
| 2.5% | $2,790,000 | $2,161,000 |
| BASE CASE 5.0% | $2,214,000 | $1,707,000 |
| 7.5% | $1,775,000 | $1,360,000 |
| 10.0% | $1,436,000 | $1,093,000 |
| Highlighted row (5.0%) represents the base case discount rate used in this PEA. | ||
MINERAL RESOURCE ESTIMATE
The Mineral Resource Estimate (“MRE”) used in the PEA is the NI 43-101-compliant resource for the Quartz Mountain Gold Project as recently updated, with a total indicated gold resource of approximately 2.01 million ounces. The MRE was prepared by Fred Brown, P.Geo., a qualified person independent of the Company in accordance with NI 43-101. A technical report respecting the updated MRE will be filed under the Company’s SEDAR+ profile and on the Company’s website within 45 days of the date of this news release.
The PEA mine plan draws on Measured, Indicated, and Inferred resources. Mineral resources that are not mineral reserves have not demonstrated economic viability, and there is no certainty that all or any part of a mineral resource will be converted to a mineral reserve.
| TOTAL | CLASS | CUTOFF | TONNAGE | AG | AG | AU | AU |
| Au g/t | kt | g/t | kozs | g/t | Kozs | ||
| Oxide | Indicated | 0.1 | 27,963 | 0.98 | 884 | 0.73 | 657 |
| Oxide | Inferred | 0.1 | 3,978 | 0.62 | 80 | 0.62 | 79 |
| Sulphide | Indicated | 0.2 | 51,825 | 1.21 | 2015 | 0.81 | 1,353 |
| Sulphide | Inferred | 0.2 | 21,657 | 0.67 | 464 | 0.6 | 416 |
| Total | Indicated | -X- | 79,788 | 1.13 | 2,900 | 0.78 | 2,010 |
| Total | Inferred | -X- | 25,634 | 0.66 | 543 | 0.60 | 494 |
| CRONE HILL | CLASS | CUTOFF | TONNAGE | AG | AG | AU | AU |
| Au g/t | kt | g/t | kozs | g/t | Kozs | ||
| Oxide | Indicated | 0.1 | 18,405 | 1.09 | 644 | 0.72 | 423 |
| Oxide | Inferred | 0.1 | 3,170 | 0.62 | 63 | 0.61 | 63 |
| Sulphide | Indicated | 0.2 | 41,117 | 1.32 | 1740 | 0.82 | 1,090 |
| Sulphide | Inferred | 0.2 | 16,102 | 0.64 | 334 | 0.58 | 302 |
| QUARTZ BUTTE | CLASS | CUTOFF | TONNAGE | AG | AG | AU | AU |
| Au g/t | kt | g/t | kozs | g/t | Kozs | ||
| Oxide | Indicated | 0.1 | 9,559 | 0.78 | 241 | 0.76 | 234 |
| Oxide | Inferred | 0.1 | 807 | 0.63 | 16 | 0.63 | 16 |
| Sulphide | Indicated | 0.2 | 10,708 | 0.8 | 275 | 0.76 | 263 |
| Sulphide | Inferred | 0.2 | 5,555 | 0.73 | 130 | 0.64 | 113 |
1) Mineral resources which are not mineral reserves do not have demonstrated economic viability. The estimate of mineral resources may be materially affected by environmental, permitting, legal, marketing, or other relevant issues.
2) Mineral resources were estimated using the Canadian Institute of Mining, Metallurgy and Petroleum (CIM), CIM Standards on Mineral Resources and Reserves, Definitions and Guidelines prepared by the CIM Standing Committee on Reserve Definitions and adopted by CIM Council.
(3) The quantity and grade of the Inferred resources in this estimation are uncertain in nature and there has been insufficient exploration to define these inferred resources as an Indicated or Measured mineral resource and it is uncertain if further exploration will result in upgrading them to an Indicated or Measured mineral resource category.
(4) Composite grade capping was implemented prior to grade estimation.
(5) Bulk density was assigned by target area.
(6) A gold price of US$3,153/oz was used.
(7) Mineral resources are reported within an optimized pit shell.
(8) Totals may differ due to rounding.
(9) Effective Date: February 28, 2026
(10) The QP responsible for the Mineral Resource Estimate is Fred Brown P.Geo.
CAPITAL COSTS
Total initial capital is estimated at US$290 million and working capital and initial fills of US$9 million. Life-of-mine sustaining capital is estimated at US$360 million. Reclamation and closure costs are estimated at US$56 million.
| Capital Cost Summary | |
| Direct Construction Capital | US$290 million |
| Working Capital & Initial Fills | US$9 million |
| Total Initial Capital | US$290 million |
| LOM Sustaining Capital | US$360 million |
| Reclamation & Closure | US$56 million |
| Total LOM Capital (incl. Sustaining & Reclamation) | US$650 million |
OPERATING COSTS
Operating costs were estimated by KCA based on factored estimates for labour, consumables, power, and contract services. Total cash costs are forecast to average US$1,010/oz over the life of mine, and All-In Sustaining Costs (AISC) are estimated at US$1,216/oz. These metrics place Quartz Mountain in the lower half of the global gold cost curve.
| Operating Cost Summary | |
| Mining ($/tonne material mined) | US$4.09 |
| Processing & Support ($/tonne processed) | US$9.24 |
| G&A ($/tonne process) | US$0.66 |
| Total Cash Cost ($/oz gold sold) | US$1,010 |
| All-In Sustaining Cost ($/oz gold sold) | US$1,216 |
PERMITTING AND COMMUNITY RELATIONS
The Quartz Mountain Gold Project is located on lands administered by the U.S. Forest Service, Fremont-Winema National Forest, in Lake County, Oregon. The Company is advancing its permitting strategy under the National Environmental Policy Act (NEPA) process in accordance with applicable federal requirements.
QGold has established a constructive working relationship with Lake County officials, the Oregon Governor’s office, and key federal representatives. The Company recently engaged a Director of Government and Community Relations and has retained SLR Environmental (Portland) as environmental permitting consultants.
The Company notes that the nearby Grassy Mountain Gold Project (Paramount Gold Nevada Corp.) recently received its federal Record of Decision in January 2026, providing an important permitting benchmark for similar heap-leach gold projects in the region and offering confidence in the federal NEPA pathway for Quartz Mountain.
NEXT STEPS
With the positive results of the PEA, QGold is advancing on the following near-term priorities:
- Drilling programs: The Company plans to commence additional exploration at Quartz Mountain and Angels Camp in 2026 to undertake addition metallurgical work in preparation for the Feasibility Study.
- Metallurgical Test work: In preparation for the Feasibility Study the Company will be undertaking a comprehensive work program which will include QEMSCAN (Quantitative Evaluation of Minerals by Scanning Electron Microscopy) for mineralogy and liberation; physical properties: abrasion index, laboratory comminution testing, 5 stage diagnostic leach, flotation testing including rougher scavenger and cleaning both bench and closed circuit. Chemical composition and sedimentation testing for tailings, flotation concentrate grinding, final concentrate analysis and filtration.
- Feasibility Study: QGold intends to advance Quartz Mountain and commission a Feasibility Study following completion of the 2026 drilling programs and resource update, targeting advancement of the Project to the feasibility study stage.
- Permitting Advancement: The Company will continue to advance the NEPA permitting process in partnership with the U.S. Forest Service, DOGAMI, and other stakeholders, with the goal of achieving the permitting process in 2026–2027.
UPSIDE GROWTH OPPORTUNITIES FOR DISCOVERIES AND MINE LIFE EXTENSIONS
QGold expects that Quartz Mountain has excellent exploration upside both in the direct vicinity of the current open pit mining area and also at depth. Consequently, QGold intends to work towards upgrading its Inferred resource and adding it to the already established Indicated resource. The Company plans on conducting additional exploration with deeper drilling to fully explore the possible deeper extension at Quartz Mountain.
In addition, the Company believes that the Angel Camp area of the Quartz Mountain Gold Project presents excellent potential for further growth. Apart from the already established Angel’s Peak mineralization around a high-grade epithermal vein, there are at least six high potential soil anomalies which the Company intends to follow up upon in the near future. Additional soil sampling followed by target generation and subsequent diamond drilling are envisaged in that area at the Angel’s Camp which is located directly adjacent to the Quartz Mountain portion of the project.
ABOUT Q-GOLD RESOURCES LTD.
Q-Gold Resources Ltd. (TSX-V: QGR; OTCQB: QGLDF; Frankfurt: QX9G) is a Canadian gold development company focused on advancing the Quartz Mountain Gold Project in Lake County, Oregon, USA — a high-quality, open-pit heap-leach gold asset with a NI 43-101 resource of approximately 2.01 million oz Gold in the Indicated Category and 494K oz of Gold in the Inferred Category.
QGold is led by Chairman & CEO Peter Wilson Tagliamonte, P.Eng., a seasoned mining executive with a track record of advancing gold development projects to production, including the Shahuindo Gold Project in Peru (now a producing mine operated by Pan American Silver). QGold also holds the Mine Centre Gold Project in Northwestern Ontario. The Company is committed to responsible resource development, meaningful stakeholder engagement, and the creation of long-term value for its shareholders.
QUALIFIED PERSONS
The Preliminary Economic Assessment (PEA) was prepared by Kappes, Cassiday & Associates (“KCA”) of Reno, Nevada. The PEA was prepared by independent Qualified Persons (each a “QP”) in accordance with NI 43-101. The PEA will be filed under the Company’s SEDAR+ profile and on the Company’s website within 45 days of the date of this news release.
The Qualified Persons responsible for the Study include personnel from KCA covering, processing, capital and operating cost estimation, financial analysis, AGP Mining Consultants Inc covering mine engineering and SLR International Corporation covering environmental considerations. Full details of QP areas of responsibility will be provided in the Technical Report.
The scientific and technical information in this press release respecting the MRE has been reviewed and approved by Fred Brown, P.Geo., an independent consultant to the Company that is a Qualified Person within the meaning of NI 43-101.
| QP Name | Company | Qualification | Area of Responsibility |
| Brain Arthur | KCA | Registered Member Society for Mining Metallurgy & Exploration (SME) | Lead author, processing, infrastructure, costing (except mining) and economic analysis |
| Matt Wilson | KCA | Engineer | Metallurgical Processing |
| Joanne Robinson | APG | P.Eng. | Mining methods and mining costs |
| Jeremy Scott Collyard | SLR | Engineer | Environmental, permitting, and social |
| Scott Miller | SLR | Engineer | Environmental, permitting, and social |
| Fred Brown | P. Geo | Mineral Resources | |
FORWARD-LOOKING INFORMATION
Certain of the statements made and information provided by QGold in this press release constitute forward-looking statements or information within the meaning of applicable Canadian securities laws. Forward-looking statements can often be identified by words such as “anticipates”, “believes”, “expects”, “plans”, “intends”, “estimates”, “projects”, or similar expressions. Forward-looking statements in this press release include, but are not limited to: the results of the PEA including anticipated production, mine development phases, operations and processing, mine life, operating costs, capital costs, cash flows, and economic metrics; the Company’s plans for the Quartz Mountain Gold Project, including the 2026 exploration program, the upgrade of the inferred mineral resource portion of the MRE to the measured and indicated category, the preparation of a Feasibility Study, metallurgical test work, permitting timelines; and the Company’s general strategy and priorities.
Forward-looking statements involve known and unknown risks, uncertainties, and other factors that may cause actual results to differ materially. These include: changes in gold and silver prices and market demand; inaccurate resource or cost estimates; inability to obtain required financing or permits; changes in applicable laws or regulations; community, geotechnical, metallurgical or processing uncertainties; accidents, labour disputes and shortages; general business, economic, competitive, political, social, and market conditions; and other risks of the mining industry. Although the Company has attempted to identify important factors that could cause actual results to differ materially from those contained in forward-looking information, there may be other factors that cause results not to be as anticipated, estimated or intended. There can be no assurance that such information will prove to be accurate, as actual results and future events could differ materially from those anticipated in such statements. Accordingly, readers are cautioned not to place undue reliance on forward-looking statements. Except as required by applicable law, QGold does not undertake to update any forward-looking statement.
NON-GAAP MEASURES
This press release refers to certain non-GAAP financial measures including Total Cash Costs and All-In Sustaining Costs (AISC). These measures are common in the gold mining industry but do not have standardized definitions under GAAP and may not be comparable to similar measures used by other issuers. These measures are used by the Company to provide additional information regarding projected cost performance and should not be considered in isolation or as a substitute for measures prepared in accordance with GAAP.
Total Cash Costs include mining, processing, G&A, refining, transport, and royalty costs. AISC (All-In Sustaining Cost) is comprised of total cash costs plus sustaining capital expenditures and closure costs, divided by payable gold ounces.
NEITHER THE TSX VENTURE EXCHANGE NOR ITS REGULATION SERVICES PROVIDER (AS THAT TERM IS DEFINED IN THE POLICIES OF THE TSX VENTURE EXCHANGE) ACCEPTS RESPONSIBILITY FOR THE ADEQUACY OR ACCURACY OF THIS RELEASE.
For further information, please contact:
Peter Wilson Tagliamonte, P.Eng.
Chairman & Chief Executive Officer
Cell: +1 (416) 564-2880
QGold Resources
[email protected] | www.qgoldresources.com
Photos accompanying this announcement are available at:
https://www.globenewswire.com/NewsRoom/AttachmentNg/4a405dd7-de06-47db-b32f-b25dad8c20a6
https://www.globenewswire.com/NewsRoom/AttachmentNg/3f720486-1db0-437d-84f2-58f7f7504d9c
https://www.globenewswire.com/NewsRoom/AttachmentNg/35adaef1-04cb-44d1-bb40-ad0b1effe817
https://www.globenewswire.com/NewsRoom/AttachmentNg/312a9e07-eae2-48d9-b667-7c437b5b4fb7










